[Next]
[Up]
[Previous]
[Contents]
Next: 2.6.3 NAND 回路
Up: 2.6 電子回路による論理演算
Previous: 2.6.1 NOT 回路
Contents: コンピュータのしくみ

図 2.11 AND 回路のはたらき
AND 演算を実現するためには,図 2.11 のようなはたらきをする回路をつくればよいことになります。 つまり,「2つの入力を持ち,入力の両方が +5 V のときだけ +5 V を出力し, それ以外では 0 V を出力する回路」を作ればよいわけです。

図 2.12 ダイオードによる AND 回路
良く使われる方法は,ダイオードを使って図 2.12 のように接続することです。 半導体ダイオードは P 型半導体と N 型半導体を貼り合わせた構造を持ち, P 型半導体の側から N 型半導体の側(順方向)へは電流が流れやすいが, 逆向き(逆方向)には電流が流れにくいという性質を持ったものです。

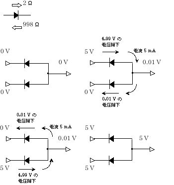
図 2.13 ダイオードによる AND 回路の具体的な例
ちょっとわかりにくいと思うので,図 2.13 に具体的な例を示します。 順方向に電流を流すときの抵抗が 2 Ω(抵抗が小さい=流れやすい)であり, 逆方向に電流を流すときの抵抗が 998 Ω(抵抗が大きい=流れにくい)であるとします。 このとき,入力の電圧の組み合わせによって,出力の電圧が図 2.13 のように変わります。
さて,入力の両方とも 0 V のときは出力も 0 V, 入力の両方とも +5 V のときは出力も +5 V になるということはいうまでもありません。 ところが,入力の片方が 0 V でもう一方が +5 V のときには,出力が +0.01 V になって, 中間の +2.5 V という値と比べてずっと 0 V に近い値になります。 ダイオードの逆方向と順方向の抵抗の比がもっと大きければ,出力電圧はもっと 0 V に近い値になりますし, また,この AND 回路のうしろに,前の節で説明した NOT 回路を接続すれば, すでに説明したように AND 回路の部分は厳密に 0 V を出力しているのと結果としては同じことになります。
ただし,この簡単な AND 回路は,必ずしも図 2.11 のように理想的な動作をしているわけではなく, どちらかというと図 2.14 のような動作をしているということになります。

図 2.14 ダイオードによる AND 回路のはたらき
[Next]
[Up]
[Previous]
[Contents]
Next: 2.6.3 NAND 回路
Up: 2.6 電子回路による論理演算
Previous: 2.6.1 NOT 回路
Contents: コンピュータのしくみ